WMJ-9960 集成了明場、暗場、偏光、DIC 等多種觀察功能。 廣泛應用于半導體、FPD、電路封裝、電路基板、材料、鑄件金屬陶瓷部件、精密磨具等檢測。
咨詢熱線:021-31576786 / 021-31576785
服務承諾:一年保修,終身維護
價格咨詢請點擊此處,將有專業在線工程師為您服務,也可以來電咨詢:
產品特點:
2 . 全新離合驅動式載物臺
WMJ-9960 采用離合式手柄,用戶按下離合扳手就可靈活移動平臺,無需長時間捏緊手柄;按下離合按鈕,取消快速移動。避免長時間操作出現手麻現象,并加快觀察速度。WMJ-9960 引入精密導軌傳動機構,移動更輕更順暢,產品更加穩定可靠。
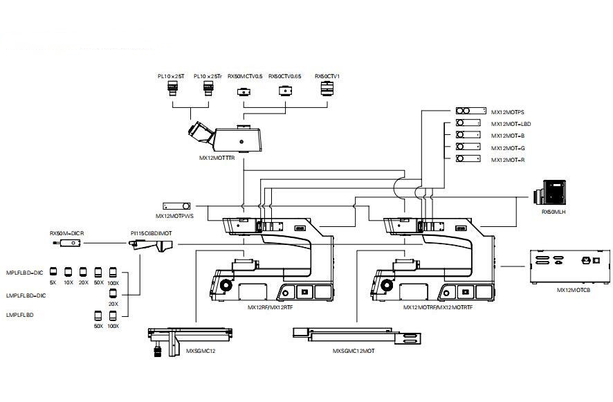
3 . 安全、高速的電動式物鏡轉換器
設有前進、后退兩檔切換模式,可快速、精確定位到所需要的觀察倍率,重復定位精度高。機械式的切換模式,有效提升了轉換器的使用壽命。 4 . 按鍵觸手可及,助您提高工作效率 5 . 豐富的應用領域
WMJ-9960 物鏡與孔徑光闌采用全新的電動控制系統,其操作按鍵位于儀器正前方,讓您觸手可及。人性化的電動設計不僅避免了頻繁的手動操作步驟,也使您的檢測工作也更加精確、靈活。
WMJ-9960 集成了明場、暗場、偏光、DIC 等多種觀察功能。 廣泛應用于半導體、FPD、電路封裝、電路基板、材料、鑄件金屬陶瓷部件、精密磨具等檢
6 . 防震支架設計
機身由六端支架支撐,低重心、高穩定性全金屬機架,具備強效的抗震功能,確保像質穩定。
7 . 豐富的應用領域
WMJ-9960 集成了明場、暗場、偏光、DIC 等多種觀察功能。 廣泛應用于半導體、FPD、電路封裝、電路基板、材料、鑄件金屬陶瓷部件、精密磨具等檢
![]()
<span style="font-family:"font-size:16px;">
價格咨詢請點擊此處,將有專業在線工程師為您服務,也可以來電咨詢:
光學系統 | 無限遠色差校正光學系統 |
觀察方式 | 明場/暗場/偏光/DIC |
觀察筒 | 無限遠鉸鏈三通觀察筒,0-35°傾角可調,正像,瞳距調節 :50-76mm,分光比 100:0 或 0:100 |
目鏡 | 高眼點大視野平場目鏡 PL10X/25mm,視度可調,可帶單刻度十字分劃版 |
物鏡 | 無限遠明暗場半復消金相 DIC 物鏡 5X 10X 20X 50X 100X |
無限遠長工作距明暗場半復消金相 DIC 物鏡 20X | |
無限遠長工作距明暗場半復消金相物鏡 50X 100X | |
轉換器 | 明暗場六孔電動轉換器,帶 DIC 插槽 |
機架組 | 反射式機架,前置低手位粗微同軸調焦機構。粗調行程35mm,微調精度0.001mm。帶有防止下滑的調節松緊裝置和隨機上限位裝置。內置 100-240V 寬電壓系統 |
透反機架,前置低手位粗微同軸調焦機構。粗調行程 35mm,微調精度 0.001mm。帶有防止下滑的調節松緊裝置和隨機上限位裝置。內置 100-240V 寬電壓系統 | |
載物臺 | 右手位 14×12 英寸三層機械移動平臺,低手位 X、Y 方向同軸調節 ;平臺面積 718mmX420mm,移動范圍 :356mmX305mm |
帶離合器手柄,可用于全行程范圍內快速移動 ;玻璃載物臺板 ( 反射用) | |
電動平臺 | 面積 495mmX641mm,移動范圍 :306mmX306mm ;軟件控制 X、Y 移動,重復定位精度,(3+L/50)μm 帶平板平臺 |
照明系統 | 明暗場反射照明器 , 帶可變電動孔徑光闌,視場光闌 , 中心均可調 ;帶明暗場照明切換裝置 ;帶濾色片插槽與偏光裝置插槽 |
攝影攝像附件 | 0.5X/0.65X/1X 攝像接筒,C 型接口,可調焦 |
其他 | 起偏鏡插板,固定式檢偏鏡插板,反射用干涉濾色片組 ;高精度測微尺 ;DIC 組件 |

地址:上海市浦東新區?;?18弄16號
TEL: 021-31576786,021-31576785上海無陌光學儀器有限公司版權所有? ? 備案號:滬ICP備18025593號-1????地址: 上海市浦東新區?;?18弄16號
全國統一服務熱線:021-31576785 / 021-31576786 ????傳真:021-31576785