WMP-6102雙目偏光顯微鏡是利用光的偏振特性對具有雙折射性物質進行研究鑒定的必備儀器。
咨詢熱線:021-31576786 / 021-31576785
服務承諾:一年保修,終身維護
價格咨詢請點擊此處,將有專業在線工程師為您服務,也可以來電咨詢:
WMP-6102雙目偏光顯微鏡是利用光的偏振特性對具有雙折射性物質進行研究鑒定的常用儀器。雙目偏光顯微鏡用途較為廣泛,如觀察齒、骨、頭發、及活細胞的結晶內含物、動物肌肉、植物纖維的結構細節,分析變性過程。也可以觀察無機化學中各種鹽類的結晶狀況在自然光看不到的精細結構。
性能特點
▲ 配置大視野目鏡和消色差物鏡,視場大而且清晰;
▲ 粗微動同軸調焦機構,粗動松緊可調,帶限位鎖緊裝置,微動格值:2μm;
▲ 6V20W鹵素燈透射照明,亮度可調;
標準配置
|
型號 |
WMP-6102 雙目偏光顯微鏡 |
|
目鏡 |
大視野 WF10X(Φ18mm) |
|
物鏡 |
消色差物鏡 4X/0.10 |
|
消色差物鏡 10X/0.25 |
|
|
消色差物鏡 40X/0.65 (彈簧) |
|
|
消色差物鏡 100X/1.25(彈簧,油) |
|
|
目鏡筒 |
雙目鏡,傾斜30? |
|
檢偏器 |
推拉式 Sliding |
|
調焦機構 |
粗微動同軸調焦, 微動格值:2μm,帶鎖緊和限位裝置 |
|
轉換器 |
四孔(內向式滾珠內定位) |
|
載物臺 |
旋轉式載物臺(直徑:Φ120mm) |
|
阿貝聚光鏡 |
NA.1.25 可上下升降 |
|
濾色片 |
藍濾色片 |
|
磨砂玻璃 |
|
|
起偏器 |
可360?旋轉 |
|
集光器 |
鹵素燈照明適用 |
|
照明系統 |
6V 20W 鹵素燈,亮度可調 |
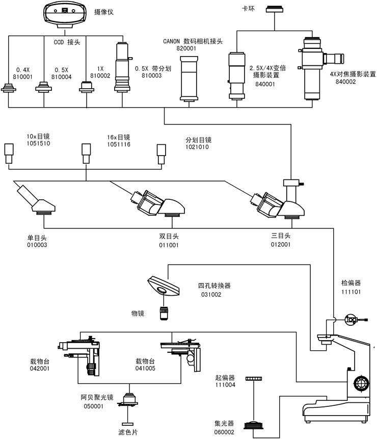
選配件
|
名稱 |
雙目偏光顯微鏡WMP-6102 |
|
目鏡 |
大視野 WF16X(Φ11mm) |
|
分劃 10X(Φ18mm) 格值0.1mm/格 |
|
|
目鏡筒 |
單目鏡,可360?旋轉,傾斜30o |
|
三目鏡, 傾斜30o 可同時觀察與攝影 |
|
|
轉換器 |
五孔 (內向式滾珠內定位) |
|
濾色片 |
綠濾色片 |
|
黃濾色片 |
|
|
CCD接頭 |
0.4X |
|
0.5X |
|
|
1X |
|
|
0.5X帶分劃尺,格值0.1mm/格 |
|
|
攝像儀 |
DV-1帶USB和Video輸出 |
|
DV-2帶USB輸出 |
|
|
攝影裝置 |
2.5X/4X變倍攝影裝置帶10X取景目鏡 |
|
4X對焦攝影裝置 |
|
|
MD卡環 |
|
|
PK卡環 |
|
|
數碼相機接頭 |
CANON(A610,A620,A630,A640) |





地址:上海市浦東新區?;?18弄16號
TEL: 021-31576786,021-31576785上海無陌光學儀器有限公司版權所有? ? 備案號:滬ICP備18025593號-1????地址: 上海市浦東新區?;?18弄16號
全國統一服務熱線:021-31576785 / 021-31576786 ????傳真:021-31576785