WMP-6302型系列反射偏光顯微鏡主要用于鑒別具有雙折射特性的物質、地質學和機械、冶金部門用來研究結晶、礦物、巖石和組織的重要工具。
咨詢熱線:021-31576786 / 021-31576785
服務承諾:一年保修,終身維護
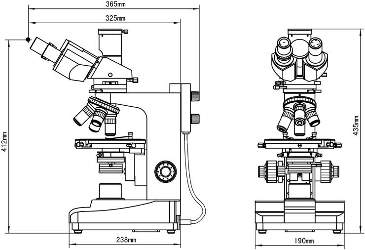
WMP-6302型熱臺偏光顯微鏡主要用于鑒別具有雙折射特性的物質、地質學和機械、冶金部門用來研究結晶、礦物、巖石和金相組織的重要工具。熱臺偏光顯微鏡配置無應力平場消色差物鏡與大視野目鏡,高精度偏光載物臺,優良的偏振觀察附件等。熱臺偏光顯微鏡可在透射偏光狀態下獲得良好的顯微圖像,儀器機械性能優良,觀察舒適,操作方便,是廠礦企業、科研院所進行檢測、研究與教學的理想儀器。
熱臺偏光顯微鏡的性能特點
▲ 可選透射照明,落射照明或者透反射照明。
▲ 配置無應力平場物鏡(中心可調)與大視野目鏡。
▲ 粗微動同軸調焦機構,粗動松緊可調,帶限位鎖緊裝置,微動格值: 2μm。
▲ 旋轉式載物臺,360°等分刻度,游標格值6',中心可調,帶鎖緊裝置,工作臺垂直有效行程可達 30mm。
▲ 寬電壓電源(85-265V 47-60HZ). 6V20W鹵素燈照明,亮度可調。








標準配置
|
型號 |
WMP-6302 (熱臺偏光顯微鏡) |
|
|
目鏡 |
大視野 WF10X (Φ18mm) |
|
|
分劃目鏡 10X (Φ18mm) 0.10mm/div |
||
|
物鏡 (中心可調) |
無應力平場消色差物鏡(蓋玻片:0.17mm)PL 4X/0.10 |
|
|
無應力平場消色差物鏡(蓋玻片:0.17mm)PL 10X/0.25 |
||
|
無應力平場消色差物鏡(蓋玻片:0.17mm)PL 40X/0.65 (彈簧) |
||
|
無應力平場消色差物鏡(蓋玻片:0.17mm)PL 60X/0.85 (彈簧) |
||
|
透射照明 |
起偏器 |
可360°旋轉,有0、90、180、270四個讀數 |
|
集光器 |
鹵素燈照明適用 |
|
|
光源 |
6V 20W 鹵素燈,亮度可調 |
|
|
阿貝聚光鏡 |
N.A. 1.25 可上下升降 |
|
|
目鏡筒 |
三目鏡,傾斜30?,可進行100%透光攝影 |
|
|
中間接筒 |
內置檢偏器, 可自由切換正常觀察與偏光觀察,90°旋轉,帶刻度,游標格值12' |
|
|
推入式勃氏鏡,中心可調 |
||
|
λ補償器 |
||
|
λ/4 補償器 |
||
|
石英鍥補償器 |
||
|
轉換器 |
四孔(外向式滾珠內定位) |
|
|
調焦機構 |
粗微動同軸調焦, 微動格值:2μm,帶鎖緊和限位裝置 |
|
|
載物臺 |
旋轉式載物臺,直徑:Φ150mm,360°等分刻度,游標格值6',中心可調,帶鎖緊裝置 |
|
|
防霉 |
防霉系統 |
|
|
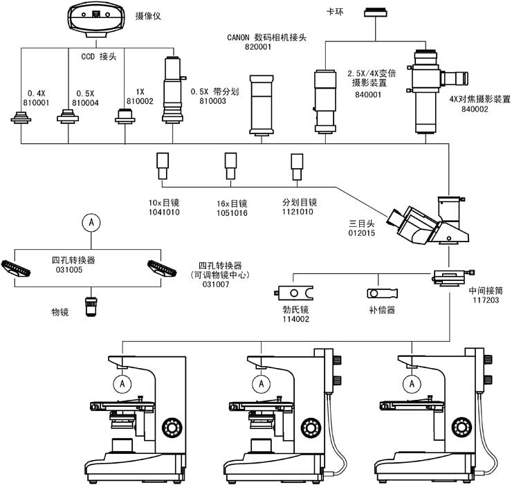
系統組成 |
電腦型(WMP-6302C):1.偏光顯微鏡 2.適配鏡 3.攝像器(CCD) 4.計算機(選購) |
|
|
數碼型(WMP-6302D): 1.偏光顯微鏡 2.適配鏡 3.數碼相機(選購) |
||
選配件
|
名稱 |
類別/技術參數 |
|
目鏡 |
大視野 WF16X(Φ11mm) |
|
物鏡 (中心可調) |
無應力平場消色差物鏡(蓋玻片:0.17mm) PL 20X/0.40 |
|
無應力平場消色差物鏡(蓋玻片:0.17mm) PL 100X/1.25 (油,彈簧) |
|
|
無應力平場消色差物鏡(無蓋玻片) PL L 20X/0.40 |
|
|
無應力平場消色差物鏡(無蓋玻片) PL L 50X/0.70 |
|
|
無應力平場消色差物鏡(無蓋玻片) PL L 80X/0.80 |
|
|
無應力平場消色差物鏡(干式) (無蓋玻片) PL L 100X/0.85 (彈簧) |
|
|
轉換器 |
四孔(外向式滾珠內定位),可調節物鏡中心 |
|
移動尺 |
移動范圍:30mmX25mm |
|
CCD接頭 |
0.4X |
|
0.5X |
|
|
1X |
|
|
0.5X帶分劃尺,格值0.1mm/格 |
|
|
攝像儀 |
DV-1帶USB和Video輸出 |
|
DV-2帶USB輸出 |
|
|
DV-3帶Video輸出 |
|
|
攝影裝置 |
2.5X/4X變倍攝影裝置帶10X取景目鏡 |
|
4X對焦攝影裝置 |
|
|
MD卡環 |
|
|
PK卡環 |
|
|
數碼相機接頭 |
CANON (A610,A620,A630,A640) |
|
軟件 |
偏光圖像二維測量軟件 |




地址:上海市浦東新區海基六路218弄16號
TEL: 021-31576786,021-31576785上海無陌光學儀器有限公司版權所有? ? 備案號:滬ICP備18025593號-1????地址: 上海市浦東新區海基六路218弄16號
全國統一服務熱線:021-31576785 / 021-31576786 ????傳真:021-31576785